Manuel de réparation de la Toyota Prius 2018: Court-circuit du contacteur / capteur de pression du système de recyclage des vapeurs de carburant à la masse (P045011,P045015,P04502F)

Manuel de réparation de la Toyota Prius 2018 / Moteur, Systeme hybride / Commande Du Moteur 2zr-fxe / Systeme Sfi / Court-circuit du contacteur / capteur de pression du système de recyclage des vapeurs de carburant à la masse (P045011,P045015,P04502F)

RESUME DES DTC

N° de DTC

Objet de la détection

Condition de détection du DTC

Organe incriminé

MIL

Mémoire

Remarque

P045011

Court-circuit du contacteur / capteur de pression du système de recyclage des vapeurs de carburant à la masse

La pression du système de recyclage des vapeurs de carburant est inférieure à 42,11009 kPa(abs) [6,10596 lb/po²(abs)] pendant 0,5 seconde minimum.

  • Module de pompe d'absorbeur de vapeurs de carburant
  • Connecteur / Faisceau de câbles

    (module de pompe d'absorbeur de vapeurs de carburant - ECM)

  • ECM
  • Excepté les modèles destinés au Mexique: S'active
  • Modèles destinés au Mexique: Ne s'active pas

DTC enregistré

  • Code SAE: P0452
  • DTC pour modèles destinés au Mexique: S'applique

P045015

Court-circuit du contacteur / capteur de pression du système de recyclage des vapeurs de carburant à la batterie ou à l'ouverture

La pression du système de recyclage des vapeurs de carburant est supérieure à 123,76147 kPa(abs) [17,94541 lb/po²(abs)] pendant 0,5 seconde minimum.

  • Module de pompe d'absorbeur de vapeurs de carburant
  • Connecteur / Faisceau de câbles

    (module de pompe d'absorbeur de vapeurs de carburant - ECM)

  • ECM
  • Excepté les modèles destinés au Mexique: S'active
  • Modèles destinés au Mexique: Ne s'active pas

DTC enregistré

  • Code SAE: P0453
  • DTC pour modèles destinés au Mexique: S'applique

P04502F

Signal de contacteur / capteur de pression de système de recyclage des vapeurs de carburant irrégulier

La tension de sortie du capteur de pression d'absorbeur de vapeurs de carburant oscille rapidement pendant un certain temps.

  • Module de pompe d'absorbeur de vapeurs de carburant
  • Connecteur / Faisceau de câbles

    (module de pompe d'absorbeur de vapeurs de carburant - ECM)

  • Durite du système EVAP (tuyau reliant l'orifice d'entrée d'air au module de pompe d'absorbeur de vapeurs de carburant, filtre d'absorbeur de vapeurs de carburant, durite de ventilation de réservoir à carburant)
  • ECM

S'active

DTC enregistré

  • Code SAE: P0451
  • DTC pour modèles destinés au Mexique: Ne s'applique pas
pour modèles destinés au Mexique

N° de DTC

Condition de détection du DTC

Organe incriminé

P045011

La tension de sortie du capteur de pression d'absorbeur de vapeurs de carburant est inférieure à 0 V pendant 0,5 seconde minimum

  • Module de pompe d'absorbeur de vapeurs de carburant
  • Connecteur / Faisceau de câbles

    (module de pompe d'absorbeur de vapeurs de carburant - ECM)

  • ECM

P045015

La tension de sortie du capteur de pression d'absorbeur de vapeurs de carburant est supérieure à 4,999 V pendant 0,5 seconde minimum.

  • Module de pompe d'absorbeur de vapeurs de carburant
  • Connecteur / Faisceau de câbles

    (module de pompe d'absorbeur de vapeurs de carburant - ECM)

  • ECM

P04502F

Sans objet

Néant

N° de DTC

Elément contrôlé

Condition de détection

Logique de détection

Code SAE

P045011

Basse tension d'entrée du capteur de pression d'absorbeur de vapeurs de carburant

  • Contacteur d'alimentation en position ON (IG)
  • Contrôle du système EVAP (contacteur d'alimentation en position OFF)

1 cycle(s)

P0452

P045015

Entrée du capteur de pression d'absorbeur de vapeurs de carburant

  • Contacteur d'alimentation en position ON (IG)
  • Contrôle du système EVAP (contacteur d'alimentation en position OFF)

1 cycle(s)

P0453

P04502F

Variation anormale de la tension du capteur de pression d'absorbeur de vapeurs de carburant (contrôle des parasites)

  • Contrôle du système EVAP (contacteur d'alimentation en position OFF)
  • Le moteur tourne

2 cycle(s)

P0451

CONSEIL:

Le capteur de pression d'absorbeur de vapeurs de carburant est intégré au module de pompe d'absorbeur de vapeurs de carburant.

DESCRIPTION

Se reporter au système EVAP (système de recyclage des vapeurs de carburant).

Cliquer ici

DESCRIPTION DU CONTROLE

  1. DTC P045011: Basse tension du capteur de pression d'absorbeur de vapeurs de carburant

    Sauf modèles destinés au Mexique:

    Si la tension de sortie du capteur de pression de l'absorbeur de vapeurs de carburant (pression) est inférieure à 0,45 V: 42,11009 kPa(abs) [6,10596 lb/po²(abs)], l'ECM considère qu'il y a coupure ou court-circuit dans le capteur de pression d'absorbeur de vapeurs de carburant ou son circuit, et il arrête le contrôle du système EVAP. Si une quelconque détérioration apparaît, l'ECM allume le MIL et enregistre le DTC (logique de détection à 1 cycle (s)).

    pour modèles destinés au Mexique:

    Si la tension de sortie de capteur de pression d'absorbeur de vapeurs de carburant est de 0 V, l'ECM considère qu'il y a coupure ou court-circuit dans le capteur de pression d'absorbeur de vapeurs de carburant ou son circuit, et il arrête le contrôle du système EVAP. Si une quelconque détérioration apparaît, l'ECM enregistre ce DTC (logique de détection à 1 cycle(s)).

  2. DTC P045015: Haute tension du capteur de pression d'absorbeur de vapeurs de carburant

    Sauf modèles destinés au Mexique:

    Si la tension de sortie du capteur de pression de l'absorbeur de vapeurs de carburant (pression) est supérieure à 4,9 V: 123,76147 kPa(abs) [17,94541 lb/po²(abs)], l'ECM considère qu'il y a coupure ou court-circuit dans le capteur de pression d'absorbeur de vapeurs de carburant ou son circuit, et il arrête le contrôle du système EVAP. Si une quelconque détérioration apparaît, l'ECM allume le MIL et enregistre le DTC (logique de détection à 1 cycle (s)).

    pour modèles destinés au Mexique:

    Si la tension de sortie de capteur de pression d'absorbeur de vapeurs de carburant est supérieure à 4,999 V, l'ECM considère qu'il y a coupure ou court-circuit dans le capteur de pression d'absorbeur de vapeurs de carburant ou son circuit, et il arrête le contrôle du système EVAP. Si une quelconque détérioration apparaît, l'ECM enregistre ce DTC (logique de détection à 1 cycle(s)).

  3. DTC P04502F: Variation anormale de la tension du capteur de pression d'absorbeur de vapeurs de carburant (contrôle des parasites)

    Si la tension de sortie du capteur de pression d'absorbeur de vapeurs de carburant oscille rapidement pendant 10 secondes, l'ECM arrête le contrôle du système EVAP. L'ECM considère cela comme des variations de tension au niveau du capteur de pression d'absorbeur de vapeurs de carburant, et arrête le contrôle du système EVAP. Ensuite, l'ECM allume le MIL et enregistre le DTC (logique de détection à 2 cycle (s)).

PROCEDURE DE CONTROLE

Capteurs/Pièces constitutives (principaux) requis

Module de pompe d'absorbeur de vapeurs de carburant

Capteurs/Pièces constitutives (correspondants) requis

-

Fréquence de fonctionnement

En permanence

Durée

0,5 seconde: P0452 et P0453

En dessous de 15 secondes: P0451

Fonctionnement MIL

Immédiatement: P0452 and P0453

2 cycle(s) de conduite: P0451

Séquence de fonctionnement

Néant

CONDITIONS TYPIQUES D'ACTIVATION

Tous

Le contrôle se fait en cas d'absence d'enregistrement des DTC suivants

Néant

P0451 (Contrôle des parasites)

Pression atmosphérique

70 kPa(abs) [10,2 lb/po²(abs)] minimum, 110 kPa(abs) [16 lb/po²(abs)] maximum

Tension de la batterie auxiliaire

10,5 V minimum

Température d'air d'admission

4,4°C (39,9°F) ou plus et moins de 50°C (122°F)

Dysfonctionnement du capteur de pression d'absorbeur de vapeurs de carburant (P0452, P0453)

Aucune détection

L'une des conditions suivantes est remplie

A ou B

A. Contacteur d'alimentation

ON (READY)

B. Temps écoulé depuis que la clé a été ôtée

5, 7 ou 9,5 heure(s)

P0452 et P0453

Les deux conditions suivantes sont remplies

-

L'une des conditions suivantes est remplie

(a) ou (b)

(a) Contacteur d'alimentation

ON (IG)

(b) Minuterie de non-fonctionnement

ON

Tension de la batterie auxiliaire

8 V minimum

SEUILS DE DYSFONCTIONNEMENT TYPIQUES

P0451: Contrôle des parasites du capteur de pression de l'absorbeur de vapeurs de carburant

Fréquence de variation de la pression EVAP de 0,3 kPa(jauge) [0,04 lb/po²(jauge)] minimum

10 fois minimum en 10 secondes

P0452: Basse tension du capteur de pression d'absorbeur de vapeurs de carburant

Pression EVAP

En dessous de 42,11009 kPa(abs) [6,10596 lb/po²(abs)]

P0453: Haute tension du capteur de pression d'absorbeur de vapeurs de carburant

Pression EVAP

Au-dessus de 123,76147 kPa(abs) [17,94541 lb/po²(abs)]

P0452: Basse tension du capteur de pression d'absorbeur de vapeurs de carburant pour les modèles destinés au Mexique

Tension du capteur de pression d'absorbeur de vapeurs de carburant

En dessous de 0 V

P0453: Haute tension du capteur de pression d'absorbeur de vapeurs de carburant pour les modèles destinés au Mexique

Tension du capteur de pression d'absorbeur de vapeurs de carburant

Au-dessus de 4,999 V

PERIODE TEST DE CONFIRMATION

REMARQUE:

  1. Brancher le Techstream sur le DLC3.
  2. Mettre le contacteur d'alimentation en position ON (IG).
  3. Allumer le Techstream.
  4. Sélectionner les menus suivants: Powertrain / Engine / Data List / Intake Air Temperature.
  5. S'assurer que la température d'air d'admission est comprise entre 4,4 et 50°C (39,9 et 122°F).
  6. Effacer les DTC (même si aucun DTC n'est enregistré, effectuer la suppression des DTC).
  7. Mettre le contacteur d'alimentation en position OFF et attendre 30 secondes minimum.
  8. Mettre le contacteur d'alimentation en position ON (IG).
  9. Allumer le Techstream.
  10. Sélectionner les menus suivants: Powertrain / Engine / Utility / Evaporative System Check / Automatic Mode.
  11. Une fois la vérification "Evaporative System Check" terminée, vérifier l'état "All readiness" en sélectionnant les menus suivants: Powertrain / Engine / Utility / All Readiness.
  12. Introduire le DTC: P045011, P045015 ou P04502F.
  13. Vérifier le résultat de l'estimation de DTC.

    Affichage du Techstream

    Description

    NORMAL

    • Estimation de DTC terminée
    • Système normal

    ABNORMAL

    • Estimation de DTC terminée
    • Système anormal

    INCOMPLETE

    • Estimation de DTC non terminée
    • Effectuer la période test après avoir confirmé les conditions d'activation de DTC

    N/A

    • Impossibilité d'effectuer l'estimation de DTC
    • Le nombre de DTC qui ne satisfont pas aux conditions préalables de DTC a atteint la limite de mémoire de l'ECU

    CONSEIL:

    • Si le résultat de l'estimation est NORMAL, le système est normal.
    • Si le résultat de l'estimation est ABNORMAL, le système présente un dysfonctionnement.
  14. Si le résultat de l'estimation est INCOMPLETE ou N/A et qu'aucun DTC en attente n'est émis, effectuer une conduite cyclique universelle et rechercher des DTC permanents.

    Cliquer ici

    CONSEIL:

    • Si aucun DTC permanent n'est émis, le système présente un dysfonctionnement.
    • Si aucun DTC permanent n'est émis, le système est normal.

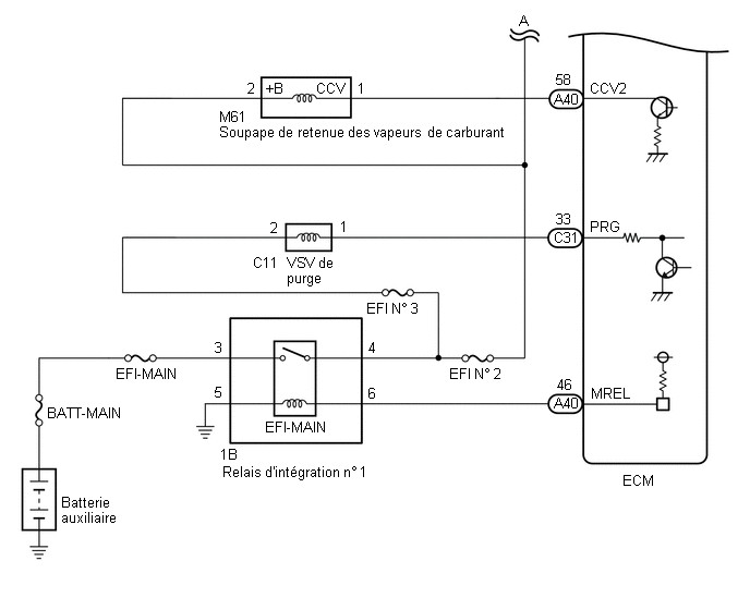
SCHEMA DE CABLAGE

MESURE DE PRECAUTION / REMARQUE / CONSEIL

REMARQUE:

PROCEDURE

1.

CONFIRMER LE DTC ET LA PRESSION EVAP

(a) Brancher le Techstream sur le DLC3.

(b) Mettre le contacteur d'alimentation en position on (IG) (ne pas faire démarrer le moteur).

(c) Allumer le Techstream.

(d) Sélectionner les menus suivants: Powertrain / Engine / Trouble Codes.

(e) Relever les DTC.

Powertrain > Engine > Trouble Codes

(f) Sélectionner les menus suivants: Powertrain / Engine / Data List / Vapor Pressure Pump.

Powertrain > Engine > Data List

Affichage du tester

Vapor Pressure Pump

(g) Relever la pression EVAP (recyclage des vapeurs de carburant) affichée sur le Techstream.

Résultat:

Affichage (DTC émis)

Résultat de l'essai

Organe incriminé potentiel

Passer au point

P045011

En dessous de 42,11009 kPa(abs) [6,10596 lb/po²(abs)]

  • Faisceau de câbles/connecteur (capteur de pression d'absorbeur de vapeurs de carburant - ECM)
  • Capteur de pression d'absorbeur de vapeurs de carburant
  • Court-circuit dans le circuit ECM

A

P045015

Au-dessus de 123,76147 kPa(abs) [17,94541 lb/po²(abs)]

  • Faisceau de câbles/connecteur (capteur de pression d'absorbeur de vapeurs de carburant - ECM)
  • Capteur de pression d'absorbeur de vapeurs de carburant
  • Coupure dans le circuit ECM

B

P04502F

-

Capteur de pression d'absorbeur de vapeurs de carburant

C

B

PASSER AU POINT 5

C

PASSER AU POINT 6

A

2.

VERIFIER LE FAISCEAU DE CABLES ET LE CONNECTEUR (MODULE DE POMPE D'ABSORBEUR DE VAPEURS DE CARBURANT - ECM)

(a) Débrancher le connecteur d'ECM.

(b) Mesurer la résistance en fonction de la (des) valeur(s) indiquée(s) dans le tableau ci-dessous.

Résultat:

Branchement du tester

Condition

Condition spécifiée

Organe incriminé potentiel

Passer au point

A40-40 (PPMP) - Masse de carrosserie

En permanence

En dessous de 10 Ω

  • Faisceau de câbles/connecteur (capteur de pression d'absorbeur de vapeurs de carburant - ECM)
  • Court-circuit dans le circuit de capteur de pression d'absorbeur de vapeurs de carburant

A

10 kΩ minimum

  • Faisceau de câbles/connecteur (capteur de pression d'absorbeur de vapeurs de carburant - ECM)
  • Court-circuit dans le circuit ECM

B

B

PASSER AU POINT 4

A

3.

VERIFIER LE FAISCEAU DE CABLES ET LE CONNECTEUR (MODULE DE POMPE D'ABSORBEUR DE VAPEURS DE CARBURANT - ECM)

(a) Débrancher le connecteur du module de pompe d'absorbeur de vapeurs de carburant.

(b) Débrancher le connecteur d'ECM.

(c) Mesurer la résistance en fonction de la (des) valeur(s) indiquée(s) dans le tableau ci-dessous.

Résultat:

Branchement du tester

Condition

Condition spécifiée

Organe incriminé potentiel

Passer au point

A40-40 (PPMP) - Masse de carrosserie

En permanence

10 kΩ minimum

Court-circuit dans le circuit de capteur de pression d'absorbeur de vapeurs de carburant

A

En dessous de 10 Ω

Court-circuit dans le faisceau de câbles/connecteur (capteur de pression d'absorbeur de vapeurs de carburant - ECM)

B

A

PASSER AU POINT 6

B

PASSER AU POINT 7

4.

REMPLACER ECM

(a) Remplacer l'ECM.

Cliquer ici

SUIVANT

PASSER AU POINT 8

5.

VERIFIER LE FAISCEAU DE CABLES ET LE CONNECTEUR (MODULE DE POMPE D'ABSORBEUR DE VAPEURS DE CARBURANT - ECM)

(a) Débrancher le connecteur du module de pompe d'absorbeur de vapeurs de carburant.

*a

Vue avant du connecteur côté faisceau de câbles

(vers le module de pompe d'absorbeur de vapeurs de carburant)

-

-

(b) Mesurer la résistance en fonction de la (des) valeur(s) indiquée(s) dans le tableau ci-dessous.

Résistance standard:

Branchement du tester

Condition

Condition spécifiée

M60-8 (SGND) - Masse de carrosserie

En permanence

100 Ω maximum

(c) Mettre le contacteur d'alimentation en position ON (IG).

(d) Mesurer la tension en fonction de la (des) valeur(s) indiquée(s) dans le tableau ci-dessous.

Tension standard:

Branchement du tester

Condition

Condition spécifiée

M60-6 (VCC) - Masse de carrosserie

Contacteur d'alimentation en position ON (IG)

4,5 à 5,5 V

M60-7 (VOUT) - Masse de carrosserie

Contacteur d'alimentation en position ON (IG)

4,5 à 5,5 V

Résultat:

Résultat de l'essai

Organe incriminé potentiel

Passer au point

Tension et résistance situées dans la plage standard

Coupure dans le circuit de capteur de pression d'absorbeur de vapeurs de carburant

A

Tension et/ou résistance non conformes aux plages standard

Coupure dans le faisceau de câbles/connecteur (capteur de pression d'absorbeur de vapeurs de carburant - ECM)

B

B

PASSER AU POINT 7

A

6.

REMPLACER LE MODULE DE POMPE DE L'ABSORBEUR DE VAPEURS DE CARBURANT

(a) Remplacer le module de pompe de l'absorbeur de vapeurs de carburant.

Cliquer ici

REMARQUE:

*1

Durite de ventilation de réservoir à carburant

*2

Orifice d'entrée d'air

*3

Durite de ventilation

*4

Réservoir à carburant

*5

Module de pompe d'absorbeur de vapeurs de carburant

  • Capteur de pression d'absorbeur de vapeurs de carburant
  • Pompe de détection de fuite
  • Soupape de ventilation

*6

Absorbeur de vapeurs de carburant

*7

Filtre d'absorbeur de vapeurs de carburant

*8

Capteur de pression du réservoir à carburant

*9

Ensemble de bouchon de réservoir à carburant

*10

Soupape de retenue des vapeurs de carburant

*a

Zone de vérification

(Rechercher d'éventuels débranchements et/ou fissures)

-

-

SUIVANT

PASSER AU POINT 8

7.

REPARER OU REMPLACER LE FAISCEAU DE CABLES OU LE CONNECTEUR (MODULE DE POMPE D'ABSORBEUR DE VAPEURS DE CARBURANT - ECM)

SUIVANT

8.

SUPPRIMER LES DTC

(a) Brancher le Techstream sur le DLC3.

(b) Mettre le contacteur d'alimentation en position ON (IG).

(c) Allumer le Techstream.

(d) Supprimer les DTC.

Powertrain > Engine > Clear DTCs

(e) Mettre le contacteur d'alimentation en position OFF et attendre 30 secondes minimum.

SUIVANT

9.

VERIFIER SI LE DTC EST A NOUVEAU EMIS (APRES REPARATION)

(a) Effectuer l'opération "Evaporative System Check" à l'aide du Techstream, en se reportant à la période test de confirmation.

(b) Sélectionner les menus suivants: Powertrain / Engine / Utility / All Readiness.

Powertrain > Engine > Utility

Affichage du tester

All Readiness

(c) Introduire le DTC: P045011, P045015 ou P04502F.

(d) Vérifier le résultat de l'estimation de DTC.

Résultat:

Affichage du Techstream

Description

NORMAL

  • Estimation de DTC terminée
  • Système normal

ABNORMAL

  • Estimation de DTC terminée
  • Système anormal

INCOMPLETE

  • Estimation de DTC non terminée
  • Effectuer la période test après avoir confirmé les conditions d'activation de DTC

N/A

  • Impossibilité d'effectuer l'estimation de DTC
  • Le nombre de DTC qui ne satisfont pas aux conditions préalables de DTC a atteint la limite de mémoire de l'ECU
SUIVANT

FIN

Coupure du circuit de soupape de purge "A" du système de recyclage des vapeurs de carburant (P044313)
DESCRIPTION Ce DTC P044313 n'est applicable qu'aux modèles destinés au Mexique. Afin de réduire les émissions d'hydrocarbures (HC), le carburant évaporé en provenance du réservoir est di ...

Système de commande de ralenti (P050500)
DESCRIPTION Le régime de ralenti est contrôlé par le système électronique de commande de la valve d'accélérateur. Le système électronique de commande de la valve d'accélérateur compre ...

D'autres materiaux:

Repose
REPOSE MESURE DE PRECAUTION / REMARQUE / CONSEIL CONSEIL: Procéder de la même façon pour le côté droit et pour le côté gauche. La procédure suivante se rapporte au côté gauche. PROCEDURE 1. INSTRUCTIONS DE REPARATION (a) Nettoyer la surface de la carrosserie du véh ...

Coupure de circuit dans l'indicateur de rétroviseur extérieur (auxiliaire) (C1AB5)
DESCRIPTION Ce DTC est enregistré lorsque le capteur de moniteur d'angle mort droit détecte la présence d'une coupure de circuit dans l'indicateur de rétroviseur extérieur droit. N° de DTC Objet de la détection Condition de détection du DTC Organe incriminé C ...

Description Du Systeme
DESCRIPTION DU SYSTEME Le système de notification proximité du véhicule (a) Lorsque le véhicule est conduit uniquement à l'aide du moteur, le système de notificaiton de proximité de véhicule transmet un signal d'avertissement sonore en provenance de l'ensemble de haut-parleurs d'a ...

Manuels