Manuel de réparation de la Toyota Prius 2018: Dysfonctionnement électronique interne d'isolation du système de tension de la batterie hybride/EV (P0AA649,P1C7C49-P1C7F49)

Manuel de réparation de la Toyota Prius 2018 / Moteur, Systeme hybride / Commande De Batterie / Hybride / Systeme De Commande Hybride (pour Batterie Au Lithium) / Dysfonctionnement électronique interne d'isolation du système de tension de la batterie hybride/EV (P0AA649,P1C7C49-P1C7F49)

DESCRIPTION

L'ECU de commande de véhicule hybride contrôle l'ensemble d'ECU de la batterie et détecte les dysfonctionnements d'isolation dans le système haute tension.

N° de DTC

Objet de la détection

Condition de détection du DTC

Organe incriminé

MIL

Avertissement indiqué

P0AA649

Résistance d'isolement du système de tension de la batterie hybride/EV diminuée

La résistance d'isolement entre le circuit haute tension et la carrosserie a diminué.*1

(logique de détection à 1 cycle(s))

  • Ensemble d'inverseur avec convertisseur
  • Câble sous plancher HV
  • Ensemble de bloc de jonction de batterie HV
  • Ensemble d'ECU de la batterie
  • Bloc de borne de batterie hybride
  • Sous-ensemble de pile d'alimentation électrique HV n° 1
  • Sous-ensemble de pile d'alimentation électrique HV n° 2
  • Ensemble de prise de batterie de véhicule électrique
  • Ensemble de boîte-pont de véhicule hybride
  • Câble de moteur électrique
  • Câble de climatisation
  • Système de climatisation

Ne s'active pas

Témoin principal

S'active

P1C7C49

Résistance d'isolement du système de tension de la batterie hybride/EV diminuée (zone A/C)

La résistance d'isolement de l'ensemble de compresseur avec moteur ou de l'inverseur de climatisation a diminué.*2

(logique de détection à 1 cycle(s))

Système de climatisation

Ne s'active pas

Témoin principal

S'active

P1C7D49

Résistance d'isolement du système de tension de la batterie hybride/EV diminuée (zone de batterie hybride/EV)

La résistance d'isolement de la batterie HV, de l'ensemble d'ECU de batterie ou de SMR a diminué.*2

(logique de détection à 1 cycle(s))

  • Ensemble de bloc de jonction de batterie HV
  • Ensemble d'ECU de la batterie
  • Bloc de borne de batterie hybride
  • Sous-ensemble de pile d'alimentation électrique HV n° 1
  • Sous-ensemble de pile d'alimentation électrique HV n° 2
  • Ensemble de prise de batterie de véhicule électrique

Ne s'active pas

Témoin principal

S'active

P1C7E49

Résistance d'isolement du système de tension de la batterie hybride/EV diminuée (zone de boîte-pont)

La résistance d'isolement de l'ensemble de boîte-pont de véhicule hybride ou de l'inverseur du générateur (MG1) et du moteur électrique (MG2) a diminué.*2

(logique de détection à 1 cycle(s))

  • Ensemble de boîte-pont de véhicule hybride
  • Câble de moteur électrique
  • Ensemble d'inverseur avec convertisseur

Ne s'active pas

Témoin principal

S'active

P1C7F49

Résistance d'isolement du système de tension de la batterie hybride/EV diminuée (zone de courant continu)

La résistance d'isolement de l'inverseur du générateur (MG1) et du moteur électrique (MG2), de l'inverseur d'A/C, du SMR ou du câble de compartiment moteur n° 2 a diminué.*2

(logique de détection à 1 cycle(s))

  • Ensemble d'inverseur avec convertisseur
  • Câble sous plancher HV
  • Ensemble de bloc de jonction de batterie HV
  • Système de climatisation
  • Câble de climatisation

Ne s'active pas

Témoin principal

S'active

CONSEIL:

  • *1: Le circuit de détection de dysfonctionnement d'isolement dans l'ensemble d'ECU de la batterie contrôle la résistance d'isolement entre les circuits à haute tension et la carrosserie. Si la résistance d'isolement diminue, l'ECU de commande de véhicule hybride enregistre le DTC P0AA649 et allume le témoin principal en premier lieu, quelle que soit la zone défectueuse.

    Parfois, le dysfonctionnement d'isolement est difficile à reproduire en raison de la variation des conditions de fonctionnement du véhicule. Donc, si le DTC P0AA649 est émis, effectuer les étapes suivantes dès que possible.

  • *2: Si les opérations suivantes sont effectuées dans le même cycle après l'enregistrement du DTC P0AA649, un seul des DTC associés (P1C7C49, P1C7D49, P1C7E49 ou P1C7F49) sera enregistré.
    1. Engager fermement le frein de stationnement.
    2. Attendre minimum 1 minute avec le véhicule à l'arrêt, la pédale de frein fermement enfoncée, le contacteur d'alimentation en position ON (READY), le rapport (D) engagé et le système de climatisation en position ON (Lo/MAX COOL, vitesse de soufflante en position HI).
    3. Mettre le contacteur d'alimentation en position OFF et attendre 2 minutes minimum.

      CONSEIL:

      • Les DTC et les données d'arrêt sur image sont des informations utiles pour identifier la pièce défectueuse. Avant de commencer le diagnostic, s'assurer de vérifier et prendre note de tous les DTC émis et les données d'arrêt sur image. (Même si un dysfonctionnement d'isolation de haute tension ne peut pas être reproduit, une fois enregistrés, les DTC d'isolation ne seront pas supprimés, sauf si la suppression est effectuée.)
      • Lorsque la résistance d'isolement de la zone de la batterie HV diminue et que le contacteur d'alimentation est mis en position ON (IG), le DTC P1C7D49 est enregistré en l'espace de 2 minutes.
  • Lors de la mesure de la résistance d'isolement à l'aide d'un mégohmmètre, mesurer la résistance tout en secouant le faisceau de câbles haute tension.
Data List correspondante (reproduction du phénomène et vérification)

N° de DTC

Data List

P0AA649

  • Short Wave Highest Value Level
  • Hybrid Battery Voltage
  • VL-Voltage before Boosting
  • VH-Voltage after Boosting
  • Boost Ratio
  • A/C Consumption Power
  • SMRP Status
  • SMRB Status
  • SMRG Status
  • Generator Inverter Shutdown Status
  • Motor Inverter Shutdown Status
  • Insulation Resistance Division Check Completion using MG Inv
  • Insulation Resistance Division Check Completion using A/C Inv
  • Insulation Resistance Division Check Completion using SMR
  • Short Wave Highest Value Availability just after MG Inv On/Off
  • Short Wave Highest Value Availability just after A/C Inv On/Off
  • Short Wave Highest Value Availability just after SMR On/Off

P1C7C49

P1C7D49

P1C7E49

P1C7F49

Utiliser les éléments suivants comme référence lors de la simulation des conditions de fonctionnement du véhicule au moment où le dysfonctionnement s'est produit.

Data List
  • Vehicle Speed
  • Engine Run Time
  • BATT Voltage
  • Distance from DTC Cleared
  • Ready Signal
  • Hybrid Battery SOC

PERIODE TEST DE CONFIRMATION

TEST DE CONFIRMATION DE BON FONCTIONNEMENT APRES REMPLACEMENT DES PIECES

CONSEIL:

Une fois la réparation terminée, effacer les DTC et vérifier si le véhicule est revenu à la normale en exécutant la procédure de vérification "All Readiness". (Ne pas mettre le contacteur d'alimentation en position OFF (READY en position OFF) pendant cette vérification).

Cliquer ici

  1. Brancher le Techstream sur le DLC3.
  2. Mettre le contacteur d'alimentation en position ON (IG) et allumer le Techstream.
  3. Effacer les DTC (même si aucun DTC n'est enregistré, effectuer la suppression des DTC).
  4. Mettre le contacteur d'alimentation en position OFF et attendre 2 minutes minimum.
  5. Engager le frein de stationnement et fixer les roues à l'aide de cales.
  6. Lorsque le véhicule est à l'arrêt, mettre le contacteur d'alimentation en position ON (READY) et le levier de changement de vitesse en position de stationnement (P), puis attendre au moins 1 minute.
  7. Mettre le système de climatisation en position ON (MAX COLD, vitesse de soufflante en position HI).
  8. Lorsque la pédale de frein est enfoncée sans enfoncer la pédale d'accélérateur, mettre le levier de changement de vitesse en position D et attendre 5 minutes.

    - Si l'étape A est exécutée dans le même cycle après l'enregistrement du DTC P0AA649, les pièces présentant une résistance d'isolement insuffisante seront déterminées et un DTC (P1C7C49, P1C7D49, P1C7E49 ou P1C7F49) sera enregistré.

    - Si aucun DTC n'est émis, passer à l'étape suivante.

  9. Faire rouler le véhicule pendant environ 5 minutes en se reportant aux éléments des données d'arrêt sur image suivants: "Vehicle Speed", "Shift Position", "Accelerator Position Sensor No. 1 Voltage %", "Engine Speed", "Coolant Temperature", "Master Cylinder Control Torque", "Motor Temperature" et "Generator Temperature"

    (Si l'élément de données d'arrêt sur image "Vehicle Speed" est 10 km/h (6 mi/h) maximum, conduire le véhicule à une vitesse supérieure ou égale à 10 km/h (6 mi/h)).

    - Si l'étape A est exécutée dans le même cycle après l'enregistrement du DTC P0AA649, les pièces présentant une résistance d'isolement insuffisante seront déterminées et un DTC (P1C7C49, P1C7D49, P1C7E49 ou P1C7F49) sera enregistré.

    - Si le DTC P0AA649 est émis, effectuer l'étape A dès que possible.

  10. Attendre minimum 1 minute avec le véhicule à l'arrêt, le contacteur d'alimentation en position ON (READY), le rapport P sélectionné et le système de climatisation en position ON (Lo/COOL MAX, vitesse de soufflante en position HI), puis mettre le contacteur d'alimentation en position OFF et attendre 2 minutes minimum. (Point A)
  11. Mettre le contacteur d'alimentation en position ON (IG) et allumer le Techstream.
  12. Sélectionner les menus suivants: Powertrain / Hybrid Control / Utility / All Readiness.
  13. Vérifier le résultat de l'estimation de DTC.

    CONSEIL:

    • Si le résultat de l'estimation révèle NORMAL, le système est normal.
    • Si le résultat de l'estimation est ABNORMAL, le système présente un dysfonctionnement.
    • Si le résultat de l'estimation indique INCOMPLETE ou N/A, effectuer à nouveau la période test.

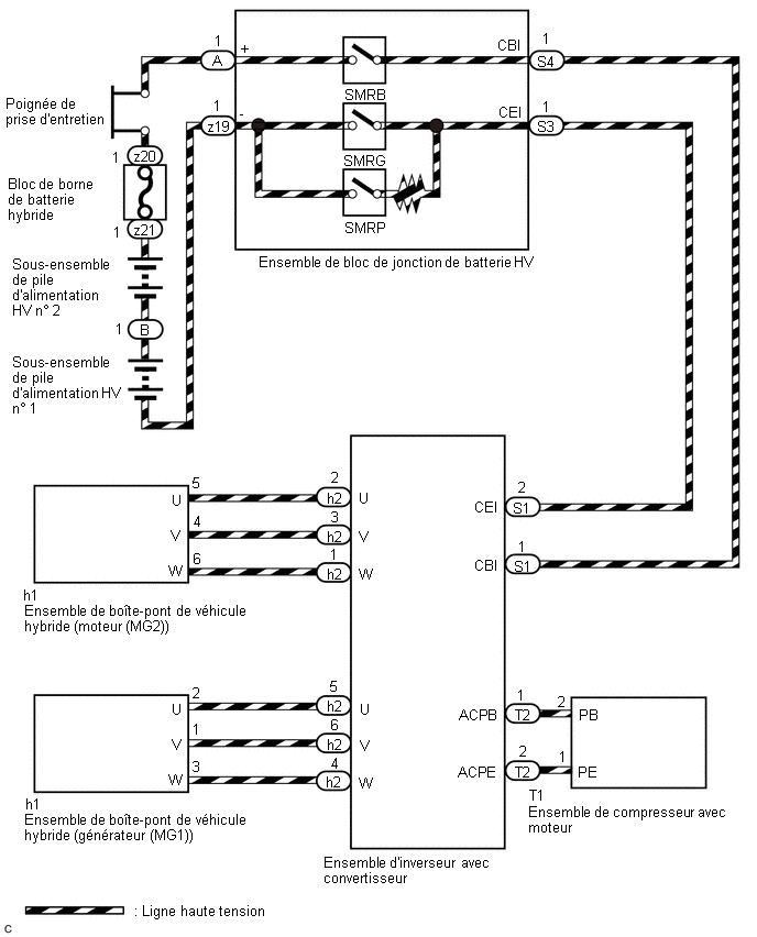
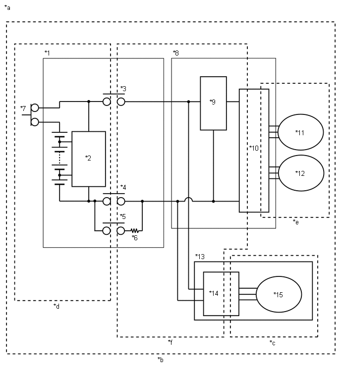
SCHEMA DE CABLAGE

*1

Batterie HV

*2

Ensemble d'ECU de la batterie

*3

SMRB

*4

SMRG

*5

SMRP

*6

Résistance principale du système

*7

Poignée de prise d'entretien

*8

Ensemble d'inverseur avec convertisseur

*9

Convertisseur de suralimentation

*10

Inverseur

*11

Générateur (MG1)

*12

Moteur (MG2)

*13

Ensemble de compresseur avec moteur

*14

Inverseur d'A/C

*15

Moteur d'A/C

-

-

*a

Zones sous haute tension

*b

Zone de réduction de la résistance d'isolement du véhicule concernant le DTC P0AA649

*c

Zone de système de climatisation concernant le DTC P1C7C49

*d

Zone de batterie HV concernant le DTC P1C7D49

*e

Zone d'ensemble de boîte-pont de véhicule hybride concernant le DTC P1C7E49

*f

Zone de courant continu à haute tension concernant le DTC P1C7F49

DESCRIPTION DU SYSTEME

CONSEIL:

Si une diminution de la résistance d'isolement ne peut pas être confirmée à l'aide d'un mégohmmètre, vérifier "Short Wave Highest Value Level" dans la Data List.

SHORT WAVE HIGHEST VALUE LEVEL

(a) "Short Wave Highest Value Level" indique une diminution de la résistance d'isolement. Lorsque la résistance d'isolement diminue, "Insulation Lower" s'affiche. Cependant, même si la résistance d'isolement du véhicule est normale, "Short Wave Highest Value Level" peut diminuer de manière à ce que "Not Judge" s'affiche pour l'une des conditions suivantes.

  • Dans un délai d'environ 1 minute après que le contacteur d'alimentation a été mis en position ON (IG).
  • Lorsque les tensions du système ("Hybrid Battery Voltage", "VL-Voltage before Boosting" et "VH-Voltage after Boosting") changent.
  • Pendant le démarrage de secours. Si l'élément de la Data List "Boost Ratio" n'est pas de 0 % ou en quelques secondes il atteint 0 %. (Les valeurs de "Hybrid Battery Voltage", "VL-Voltage before Boosting" et "VH-Voltage after Boosting" sont presque identiques hors démarrage de secours).
  • Lorsque "No" s'affiche pour l'un des éléments suivants de la Data List:

    - Short Wave Highest Value Availability just after MG Inv On/Off

    - Short Wave Highest Value Availability just after A/C Inv On/Off

    - Short Wave Highest Value Availability just after SMR On/Off

(b) Lorsque "Short Wave Highest Value Level" affiche "Insulation Lower LV3", la résistance d'isolement est proche de 0 Ω. Dans ce cas, une détérioration d'un câble à haute tension ou d'un composant hybride (haute tension), ou un court-circuit au niveau de la masse de carrosserie dû à l'intrusion de corps étranger tel que des particules métalliques peut être suspecté.

  • Si les symptômes du problème ne peuvent pas être reproduits et si un dysfonctionnement persiste après le remplacement d'une pièce conformément aux instructions,le fait de vérifier les données d'arrêt sur image suivantes peut permettre d'identifier une zone incriminée.
Eléments à vérifier à l'aide des données d'arrêt sur image:

Données d'arrêt sur image

Note de diagnostic

Short Wave Highest Value Level

Indique que la résistance d'isolement a diminué.

  • VL-Voltage before Boosting
  • VH-Voltage after Boosting
  • Hybrid Battery Voltage
  • Boost Ratio

Pendant le démarrage de secours (lorsque "Boost Ratio" n'est pas de 0 %), ou lorsque la valeur "VL-Voltage before Boosting", "VH-Voltage after Boosting" ou "Hybrid Battery Voltage" varie, "Short Wave Highest Value Level" peut diminuer même si la résistance d'isolement est normale.

  • SMRP Status
  • SMRB Status
  • SMRG Status

Lorsque "SMRP Status", "SMRB Status" et "SMRG Status" sont en position OFF, le circuit de détection de dysfonctionnement d'isolement détecte une diminution de la résistance d'isolement dans la zone de la batterie HV ((*d) sur le schéma de câblage).

Exemple:
  • Lorsque le contacteur d'alimentation est mis en position ON (IG) (non pas en position ON (READY)), les 3 relais principaux du système sont en position OFF et il est probable que l'ensemble de batterie HV soit débranché des circuits à haute tension. Si "Short Wave Highest Value Level" diminue quelques minutes après la mise en position ON (IG) (non pas en position ON (READY)), il se peut que l'ensemble de batterie HV présente un dysfonctionnement au niveau de l'isolement.

Motor Inverter Shutdown Status

Lorsque "Motor Inverter Shutdown Status" est en position ON, le circuit de détection de dysfonctionnement d'isolement ne peut pas détecter une diminution de la résistance d'isolement dans la section CA (courant alternatif) du système de moteur (côté moteur (MG2)) du (*e) sur le schéma de câblage).

La section CA (courant alternatif) du système de moteur inclut le moteur électrique (MG2) dans l'ensemble de boîte-pont de véhicule hybride, les câbles du moteur et la section CA (courant alternatif) du circuit d'entraînement du moteur dans l'ensemble d'inverseur avec convertisseur.

Generator Inverter Shutdown Status

Lorsque "Generator Inverter Shutdown Status" est en position ON, le circuit de détection de dysfonctionnement d'isolement ne peut pas détecter une diminution de la résistance d'isolement dans la section CA (courant alternatif) du système de générateur (côté générateur (MG1)) du (*e) sur le schéma de câblage).

La section CA (courant alternatif) du système de générateur inclut le générateur (MG1) dans l'ensemble de boîte-pont de véhicule hybride, les câbles du générateur et la section CA (courant alternatif) du circuit d'entraînement du générateur dans l'ensemble d'inverseur avec convertisseur.

A/C Consumption Power

La section CA (courant alternatif) de l'ensemble de compresseur avec moteur ((*c) dans le schéma de câblage) inclut le moteur de climatisation, le câblage entre le moteur de climatisation et l'inverseur de climatisation, et la section CA (courant alternatif) du circuit d'entraînement du moteur de climatisation dans l'inverseur de climatisation.

Avec le véhicule à l'arrêt, activer/désactiver le système de climatisation et utiliser "Short Wave Highest Value Level" comme référence pour le diagnostic.

DONNEES D'ARRET SUR IMAGE ASSOCIEES

CONSEIL:

  • Reproduire les conditions de fonctionnement du véhicule au moment où un DTC a été enregistré en fonction des données d'arrêt sur image et des résultats de l'analyse du problème exposé par le client permet de garantir que le même DTC est à nouveau enregistré. Statut de la conduite

    Elément

    Note de diagnostic

    Vitesse du véhicule

    -

    Tension du capteur de position de pédale d'accélérateur n° 1

    -

    Régime moteur

    -

    Rapport engagé

    -

    Couple de commande du maître-cylindre

    -

    Température du liquide de refroidissement

    -

    Conditions de fonctionnement

    Elément

    Note de diagnostic

    Température du moteur

    En cas de fuite de liquide dans le liquide de boîte de vitesses automatique, la résistance d'isolement ne peut diminuer que lorsque la température est élevée.

    La température du moteur électrique peut augmenter si la vitesse du moteur est faible et si le couple de sortie est élevé comme lors d'une montée en côté à vitesse lente ou lors d'une accélération à partir d'une faible vitesse.

    Température du générateur

    En cas de fuite de liquide dans le liquide de boîte de vitesses automatique, la résistance d'isolement ne peut diminuer que lorsque la température est élevée.

    La température du générateur est susceptible d'augmenter en cas d'accélérations et de décélérations répétées pendant que le véhicule roule dans la plage de vitesse moyenne (60 à 80 km/h (37 à 50 mi/h)).

  • Analyse du problème exposé par le client

    Demander au client de décrire les conditions de fonctionnement et l'environnement au moment où le dysfonctionnement s'est produit.

    Elément

    Note de diagnostic

    Condition de conduite (accélération, décélération, virage, etc.)

    Des changements au niveau de l'isolation des pièces ayant une isolation insuffisante en raison des variations de la force G ou de vibrations sont suspectés.

    Conditions de la route (non goudronnée, etc.)

    Conditions météorologiques (pluie, neige, etc.)

    Un infiltration d'eau est suspectée

    Lavage du véhicule (est-ce que le dysfonctionnement s'est produit une fois que le véhicule est lavé?)

MESURE DE PRECAUTION / REMARQUE / CONSEIL

ATTENTION:

  • Lors de la recherche de pannes du DTC P0AA649, utiliser un outil entouré de ruban adhésif isolant en vinyle ou un autre outil isolé. (Il est extrêmement dangereux qu'une charge de haute tension passe à travers un outil non isolé, entraînant un court-circuit.)
  • Avant de vérifier le système à haute tension ou de débrancher le connecteur basse tension de l'ensemble d'inverseur avec convertisseur, il convient de prendre des mesures de précaution telles que porter des gants isolants et déposer la poignée de prise d'entretien afin d'éviter tout choc électrique. Après avoir déposé la poignée de prise d'entretien, la mettre dans sa poche pour empêcher que d'autres mécaniciens ne la rebranchent accidentellement alors que le travail est en cours sur le système à haute tension.
  • Après avoir déposé la poignée de prise d'entretien, attendre au moins 10 minutes avant de toucher tout connecteur ou borne à haute tension. Après un délai de 10 minutes, vérifier la tension des bornes au niveau du point de vérification sur l'ensemble d'inverseur avec convertisseur. La tension doit être de 0 V avant de commencer le travail.

    Cliquer ici

    CONSEIL:

    10 minutes minimum sont nécessaires pour que le condensateur à haute tension de l'ensemble d'inverseur avec convertisseur se décharge.

  • S'assurer d'isoler les bornes et connecteurs à haute tension de la batterie HV à l'aide de ruban isolant après l'avoir déposée.

    Si la batterie HV est stockée sans isoler les connecteurs et bornes, cela peut provoquer une décharge électrique ou un incendie.

  • Lors de la mise au rebut d'une batterie HV, s'assurer de la retourner un réparateur autorisé à la récupérer et capable de la manipuler en toute sécurité. Si la batterie HV est retournée au fabricant, elle sera retournée en toute sécurité par un agtn de récupération autorisé.
  • Avant de retourner la batterie HV, veiller à effectuer une vérification de récupération.

    Cliquer ici

  • Avant de renvoyer le sous-ensemble de pile d'alimentation de véhicule hybride, veiller à effectuer une vérification de récupération.

    Cliquer ici

  • Noter les DTC émis, car certains d'entre eux peuvent être nécessaires pour la vérification de récupération des sous-ensembles de batterie HV et de pile d'alimentation de véhicule hybride.

REMARQUE:

Après avoir mis le contacteur d'alimentation en position OFF, un délai d'attente avant de débrancher le câble de la borne négative (-) de la batterie peut être requis. Par conséquent, veiller à lire les mesures de précaution concernant le débranchement du câble de la borne négative (-) de la batterie auxiliaire avant de poursuivre le travail.

Cliquer ici

CONSEIL:

Lors de la mesure de résistance d'isolement à l'aide d'une mégohmmètre, régler le mégohmmètre sur 500 V.

PROCEDURE

1.

VERIFIER LES DTC EMIS (COMMANDE HYBRIDE, BATTERIE FV)

(a) Brancher le Techstream sur le DLC3.

(b) Mettre le contacteur d'alimentation en position ON (IG).

(c) Sélectionner les menus suivants: Powertrain / Hybrid Control and HV Battery / Trouble Codes.

(d) Vérifier les DTC.

Powertrain > Hybrid Control > Trouble Codes Powertrain > HV Battery > Trouble Codes

Résultat:

Résultat

Passer au point

Seul le DTC P0AA649, P1C7C49, P1C7D49, P1C7E49 ou P1C7F49 est émis, ou des DTC autres que ceux repris dans le tableau ci-dessous sont également émis.

A

Les DTC du système de commande hybride dans les tableaux ci-dessous sont émis.

B

Les DTC du système de batterie hybride dans les tableaux ci-dessous sont émis.

C

Contenu du dysfonctionnement

Système

DTC correspondant

Dysfonctionnement du micro-ordinateur

Système de commande hydride

P060647

Défaillance de MCU de surveillance / sécurité de processeur de module de commande du groupe motopropulseur hybride/EV

P060A29

Signal incorrect de processeur de surveillance de module de commande du groupe motopropulseur hybride/EV

P060A44

Dysfonctionnement de mémoire de données de processus de contrôle de module de commande du groupe motopropulseur hybride/EV

P060A45

Dysfonctionnement de mémoire de programme de processeur de surveillance de module de commande du groupe motopropulseur hybride/EV

P060A49

Dysfonctionnement électronique interne de processeur de contrôle de module de commande du groupe motopropulseur hybride/EV

P060B1C

Tension de traitement A/D du module de commande du groupe motopropulseur hybride/EV en dehors de la plage admise

P060B71

Actionneur de traitement A/D du module de commande du groupe motopropulseur bloqué

P1CE31C

Tension de traitement A/D du processeur de surveillance de module de commande du groupe motopropulseur hybride/EV en dehors de la plage admise

P1CE349

Défaillance électronique interne de traitement A/D du processeur de surveillance de module de commande du groupe motopropulseur hybride/EV

P1CE371

Actionneur de traitement A/D du processeur de surveillance de module de commande du groupe motopropulseur hybride/EV bloqué

Système de batterie hybride

P060687

Message du processeur de module de commande de batterie hybride/EV au processeur de surveillance

P060A47

Surveillance de processeur de contrôle d'énergie de batterie hybride/EV / Echec de MCU de sécurité

P060A87

Message du processeur de module de commande de batterie hybride/EV du processeur de surveillance

P060B49

Défaillance électronique interne de traitement A/D du module de commande du groupe motopropulseur hybride/EV

P062F46

Echec de mémoire de calibrage / de paramètre EEPROM de module de commande de batterie hybride/EV

Dysfonctionnement du circuit d'alimentation électrique

Système de commande hydride

P06881F

Panne intermittente du circuit de détection du relais d'alimentation ECM/PCM

Dysfonctionnement du système

Système de commande hydride

P1C9E9F

Réinitialisation du système hybride/EV bloquée en position OFF

CONSEIL:

  • Le DTC P0AA649 peut être émis en raison d'un dysfonctionnement indiqué par les DTC ci-dessus.
    1. Le tableau ci-dessus figure dans l'ordre de vérification prioritaire.
    2. S'assurer que les DTC sont émis en même temps en suivant l'ordre indiqué. (La cause principale du dysfonctionnement peut être déterminée sans effectuer de vérifications inutiles.)

(e) Mettre le contacteur d'alimentation en position OFF.

B

PASSER AU TABLEAU DES DTC (SYSTEME DE COMMANDE HYBRIDE)

C

PASSER AU TABLEAU DES DTC (SYSTEME DE BATTERIE HYBRIDE)

A

2.

VERIFIER LE DTC EMIS (COMMANDE HYBRIDE)

(a) Brancher le Techstream sur le DLC3.

(b) Mettre le contacteur d'alimentation en position ON (IG).

(c) Sélectionner les menus suivants: Powertrain / Hybrid Control / Trouble Codes.

(d) Vérifier les DTC.

Powertrain > Hybrid Control > Trouble Codes

REMARQUE:

  • Les DTC P1C7C49, P1C7D49, P1C7E49 et P1C7F49 ne sont pas enregistrés avec le DTC P0AA649 en même temps. Si une baisse de la résistance d'isolement est détectée et si le DTC P0AA649 est émis, attendre 1 minute avec le contacteur d'alimentation en position ON (READY), le levier de changement de vitesse en position D et le système de climatisation activé dans le même cycle, puis mettre le contacteur d'alimentation en position OFF et attendre 2 minutes pour déterminer le DTC (P1C7C49, P1C7D49, P1C7E49 ou P1C7F49).
  • Si seul le DTC P0AA649 est émis, effectuer la procédure de diagnostic pour le DTC P0AA649 afin de vérifier tous les circuits haute tension.
  • Lorsque tout autre DTC, indiquant que des pièces présentent une chute de résistance d'isolement, est émis, effectuer la procédure de diagnostic pour chaque DTC.

Résultat:

Résultat

Passer au point

Seul le code P0AA649 (baisse de la résistance d'isolement du circuit à haute tension) est émis.

A

Les DTC P0AA649 et P1C7C49 (baisse de la résistance d'isolement de la zone de système de climatisation) sont émis

B

Les DTC P0AA649 et P1C7D49 (baisse de la résistance d'isolement de la zone de batterie HV) sont émis.

C

Les DTC P0AA649 et P1C7E49 (baisse de la résistance d'isolement de la zone d'ensemble de boîte-pont de véhicule hybride) sont émis.

D

Les DTC P0AA649 et P1C7F49 (baisse de la résistance d'isolement de la zone de courant continu à haute tension) sont émis.

E

Le DTC P0AA649 n'est pas émis, mais l'un des DTC P1C7C49, P1C7D49, P1C7E49 ou P1C7F49 est émis.

F

(e) Mettre le contacteur d'alimentation en position OFF.

B

PASSER AU POINT 10

C

PASSER AU POINT 14

D

PASSER AU POINT 25

E

PASSER AU POINT 31

F

PASSER AU POINT 34

A

3.

VERIFIER L'ENSEMBLE DE BOITE-PONT DE VEHICULE HYBRIDE (CABLE DE MOTEUR ELECTRIQUE (POUR MG2))

ATTENTION:

Veiller à porter des gants isolants.

(a) S'assurer que la poignée de prise d'entretien n'est pas posée.

REMARQUE:

Après avoir retiré la poignée de prise d'entretien, ne pas remettre le contacteur d'alimentation en position ON (READY) sauf si c'est clairement spécifié dans le manuel de réparation, car cela peut entraîner un dysfonctionnement.

(b) Débrancher le câble de moteur électrique de l'ensemble d'inverseur avec convertisseur.

CONSEIL:

S'assurer qu'il n'y a pas de corps étranger, de liquide de refroidissement ou d'eau dans l'ensemble d'inverseur avec convertisseur.

(c) Brancher le câble sur la borne négative (-) de la batterie auxiliaire.

CONSEIL:

Etant donné que la résistance d'isolement peut varier lorsque le moteur (MG2) tourne, effectuer cette vérification tout en faisant tourner les roues avant.

(d) Mettre le contacteur d'alimentation en position ON (IG).

REMARQUE:

Mettre le contacteur d'alimentation en position ON (IG) avec la poignée de connecteur de service retirée entraîne l'enregistrement de DTC. Effacer les DTC après avoir procédé à cette vérification.

(e) Mettre le levier de changement de vitesse en position N et soulever le véhicule.

(f) A l'aide d'un mégohmmètre réglé sur 500 V, mesurer la résistance en fonction de la (des) valeur(s) dans le tableau ci-dessous en faisant tourner les roues avant de 2 tours dans le même sens et simultanément.

REMARQUE:

  • Effectuer cette vérification avec précaution car le moteur (MG2) peut générer du courant lorsque les roues avant sont tournées à la main.
  • Veiller à régler le mégohmmètre à 500 V pour effectuer ce test. Dépasser le réglage de 500 V peut endommager la pièce constitutive à vérifier.

Résistance standard:

Branchement du tester

Condition

Condition spécifiée

h2-2 (U) - Masse de carrosserie et masse blindée

Contacteur d'alimentation en position ON (IG)

100 MΩ minimum

h2-3 (V) - Masse de carrosserie et masse blindée

Contacteur d'alimentation en position ON (IG)

100 MΩ minimum

h2-1 (W) - Masse de carrosserie et masse blindée

Contacteur d'alimentation en position ON (IG)

100 MΩ minimum

*1

Masse blindée

*a

Câcle du moteur (pour MG2)

(Côté ensemble d'inverseur avec convertisseur)

(g) Abaisser le véhicule et enfoncer le contacteur de position P (contacteur principal de changement de vitesse).

(h) Mettre le contacteur d'alimentation en position OFF.

(i) Débrancher le câble de la borne négative (-) de la batterie auxiliaire.

INCORRECT

PASSER AU POINT 11

OK

4.

VERIFIER L'ENSEMBLE DE BOITE-PONT DE VEHICULE HYBRIDE (CABLE DE MOTEUR ELECTRIQUE (POUR MG1))

ATTENTION:

Veiller à porter des gants isolants.

(a) S'assurer que la poignée de prise d'entretien n'est pas posée.

REMARQUE:

Après avoir retiré la poignée de prise d'entretien, ne pas remettre le contacteur d'alimentation en position ON (READY) sauf si c'est clairement spécifié dans le manuel de réparation, car cela peut entraîner un dysfonctionnement.

(b) Brancher le câble sur la borne négative (-) de la batterie auxiliaire.

CONSEIL:

Etant donné que la résistance d'isolement peut varier lorsque le générateur (MG1) tourne, effectuer cette vérification tout en faisant tourner les roues avant.

(c) Mettre le contacteur d'alimentation en position ON (IG).

REMARQUE:

Mettre le contacteur d'alimentation en position ON (IG) avec la poignée de connecteur de service retirée entraîne l'enregistrement de DTC. Effacer les DTC après avoir procédé à cette vérification.

(d) Mettre le levier de changement de vitesse en position N et soulever le véhicule.

(e) A l'aide d'un mégohmmètre réglé sur 500 V, mesurer la résistance en fonction de la (des) valeur(s) dans le tableau ci-dessous en faisant tourner les roues avant de 2 tours dans le même sens et simultanément.

REMARQUE:

  • Effectuer cette vérification avec précaution car le générateur (MG1) peut générer du courant lorsque les roues avant sont tournées à la main.
  • Veiller à régler le mégohmmètre à 500 V pour effectuer ce test. Dépasser le réglage de 500 V peut endommager la pièce constitutive à vérifier.

Résistance standard:

Branchement du tester

Condition

Condition spécifiée

h2-5 (U) - Masse de carrosserie et masse blindée

Contacteur d'alimentation en position ON (IG)

100 MΩ minimum

h2-6 (V) - Masse de carrosserie et masse blindée

Contacteur d'alimentation en position ON (IG)

100 MΩ minimum

h2-4 (W) - Masse de carrosserie et masse blindée

Contacteur d'alimentation en position ON (IG)

100 MΩ minimum

*1

Masse blindée

*a

Câcle du moteur (pour MG1)

(Côté ensemble d'inverseur avec convertisseur)

(f) Abaisser le véhicule et enfoncer le contacteur de position P (contacteur principal de changement de vitesse).

(g) Mettre le contacteur d'alimentation en position OFF.

(h) Débrancher le câble de la borne négative (-) de la batterie auxiliaire.

INCORRECT

PASSER AU POINT 12

OK

5.

VERIFIER LE CABLE DE CLIMATISATION

ATTENTION:

Veiller à porter des gants isolants.

(a) S'assurer que la poignée de prise d'entretien n'est pas posée.

REMARQUE:

Après avoir retiré la poignée de prise d'entretien, ne pas remettre le contacteur d'alimentation en position ON (READY) sauf si c'est clairement spécifié dans le manuel de réparation, car cela peut entraîner un dysfonctionnement.

(b) Débrancher le connecteur de câble de climatisation de l'ensemble d'inverseur avec convertisseur.

CONSEIL:

Veiller à ce qu'aucun corps étranger ne pénètre dans le câble de climatisation ou ne le contamine.

(c) A l'aide d'un mégohmmètre réglé à 500 V, mesurer la résistance en fonction de la(des) valeur(s) indiquée(s) dans le tableau ci-dessous.

REMARQUE:

  • Veiller à régler le mégohmmètre à 500 V pour effectuer ce test. Dépasser le réglage de 500 V peut endommager la pièce constitutive à vérifier.
  • Veiller à effectuer la vérification du branchement des sondes du tester aux extrémités de la borne.

Résistance standard:

Branchement du tester

Condition

Condition spécifiée

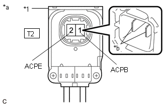
T2-1 (ACPB) - Masse de carrosserie et masse blindée

Contacteur d'alimentation en position OFF

3 MΩ minimum

T2-2 (ACPE) - Masse de carrosserie et masse blindée

Contacteur d'alimentation en position OFF

3 MΩ minimum

*1

Masse blindée

*a

Câble de climatisation

(Côté ensemble d'inverseur avec convertisseur)

*b

Extrémité de la borne

INCORRECT

PASSER AU POINT 37

OK

6.

VERIFIER LE CABLE SOUS PLANCHER HV

ATTENTION:

Veiller à porter des gants isolants.

(a) S'assurer que la poignée de prise d'entretien n'est pas posée.

REMARQUE:

Après avoir retiré la poignée de prise d'entretien, ne pas remettre le contacteur d'alimentation en position ON (READY) sauf si c'est clairement spécifié dans le manuel de réparation, car cela peut entraîner un dysfonctionnement.

(b) Débrancher le connecteur de câble sous plancher HV de l'ensemble d'inverseur avec convertisseur.

CONSEIL:

Veiller à ce qu'aucun corps étranger ne pénètre ou ne contamine le câble sous plancher HV.

(c) A l'aide d'un mégohmmètre réglé à 500 V, mesurer la résistance en fonction de la(des) valeur(s) indiquée(s) dans le tableau ci-dessous.

REMARQUE:

  • Veiller à régler le mégohmmètre à 500 V pour effectuer ce test. Dépasser le réglage de 500 V peut endommager la pièce constitutive à vérifier.
  • Veiller à ne pas endommager ni déformer la borne qui est vérifiée.

Résistance standard:

Branchement du tester

Condition

Condition spécifiée

S1-1 (CBI) - Masse de carrosserie et masse blindée

Contacteur d'alimentation en position OFF

10 MΩ minimum

S1-2 (CEI) - Masse de carrosserie et masse blindée

Contacteur d'alimentation en position OFF

10 MΩ minimum

CONSEIL:

Vérifier visuellement si le câble sous plancher HV est endommagé. S'il n'y a pas de dégâts, il s'agit probablement de la cause d'une faible résistance d'isolement.

*1

Masse blindée

*a

Câble sous plancher HV

(Côté ensemble d'inverseur avec convertisseur)

INCORRECT

PASSER AU POINT 35

OK

7.

VERIFIER L'ENSEMBLE D'INVERSEUR AVEC CONVERTISSEUR

ATTENTION:

Veiller à porter des gants isolants.

(a) S'assurer que la poignée de prise d'entretien n'est pas posée.

REMARQUE:

Après avoir retiré la poignée de prise d'entretien, ne pas remettre le contacteur d'alimentation en position ON (READY) sauf si c'est clairement spécifié dans le manuel de réparation, car cela peut entraîner un dysfonctionnement.

(b) Brancher le connecteur de câble sous plancher HV à l'ensemble d'inverseur avec convertisseur.

(c) A l'aide d'un mégohmmètre réglé à 500 V, mesurer la résistance en fonction de la(des) valeur(s) indiquée(s) dans le tableau ci-dessous.

REMARQUE:

Veiller à régler le mégohmmètre à 500 V pour effectuer ce test. Dépasser le réglage de 500 V peut endommager la pièce constitutive à vérifier.

Résistance standard:

Branchement du tester

Condition

Condition spécifiée

Borne haute tension - Masse de carrosserie

Contacteur d'alimentation en position OFF

1 MΩ minimum

CONSEIL:

Effectuer cette vérification avec le câble de moteur et le câble de climatisation débranchés de l'ensemble d'inverseur avec convertisseur.

*a

Borne haute tension

INCORRECT

PASSER AU POINT 33

OK

8.

VERIFIER LA BATTERIE HV (CABLE HAUTE TENSION)

ATTENTION:

Veiller à porter des gants isolants et des lunettes de sécurité.

CONSEIL:

S'assurer de ne pas laisser d'eau ni de corps étrangers s'introduire dans la batterie HV.

(a) S'assurer que la poignée de prise d'entretien n'est pas posée.

REMARQUE:

Après avoir retiré la poignée de prise d'entretien, ne pas remettre le contacteur d'alimentation en position ON (READY) sauf si c'est clairement spécifié dans le manuel de réparation, car cela peut entraîner un dysfonctionnement.

(b) Déposer la protection de batterie HV n° 1.

Cliquer ici

(c) Débrancher les connecteurs d'ensemble d'ECU de la batterie.

REMARQUE:

Isoler chaque connecteur à haute tension débranché à l'aide de ruban isolant. Recouvrir le connecteur du côté faisceau de câbles jusqu'à l'extrémité du connecteur.

(d) A l'aide d'un mégohmmètre réglé à 500 V, mesurer la résistance en fonction de la(des) valeur(s) indiquée(s) dans le tableau ci-dessous.

REMARQUE:

Veiller à régler le mégohmmètre à 500 V pour effectuer ce test. Dépasser le réglage de 500 V peut endommager la pièce constitutive à vérifier.

Résistance standard:

Branchement du tester

Condition

Condition spécifiée

1 - Masse de carrosserie

Contacteur d'alimentation en position OFF

10 MΩ minimum

2 - Masse de carrosserie

Contacteur d'alimentation en position OFF

10 MΩ minimum

*a

Poignée de connecteur de service déposée

(bornes de branchement de poignée de connecteur de service)

INCORRECT

PASSER AU POINT 13

OK

9.

REMPLACER L'ENSEMBLE D'ECU DE BATTERIE

Cliquer ici

SUIVANT

EXECUTER LE TEST DE CONFIRMATION DE BON FONCTIONNEMENT APRES LE REMPLACEMENT DE PIECES

10.

PASSER AU SYSTEME DE CLIMATISATION (P1C7C49)

Actionneur de contacteur négatif de batterie hybride/EV bloqué en position fermée (P0AA373)
RESUME DES DTC DESCRIPTION DU DYSFONCTIONNEMENT L'ECU de commande de véhicule hybride détecte un dysfonctionnement lié au blocage en position fermée d'un relais principal du système du côt ...

Défaillance électronique interne du circuit de capteur d'isolation de tension de batterie hybride/EV (P0AA749)
DESCRIPTION L'ECU de commande de véhicule hybride contrôle le circuit de surveillance d'isolation situé dans l'ensemble d'ECU de la batterie et détecte des dysfonctionnements. N° de D ...

D'autres materiaux:

Données sérielles invalides du module de commande HVAC reçues par le mode de commande de groupe motopropulseur hybride (U042481)
DESCRIPTION Si l'ECU de commande de véhicule hybride reçoit une demande de commande du compresseur invalide en provenance de l'ensemble d'amplificateur de climatisation via le système de communication CAN, elle enregistre ce DTC. N° de DTC Objet de la détection Condition de ...

Tableau Des Codes De Diagnostic
TABLEAU DES CODES DE DIAGNOSTIC SYSTEME DE CLIMATISATION N° de DTC Objet de la détection Condition de détection du DTC Lien B1245 Perte de la communication avec l'ECU d'essuie-glace LIN Perte de la communication avec l'ensemble de relais d'essuie-glace avant ...

Bras Superieur Arriere
Pieces ConstitutivesPIECES CONSTITUTIVES SCHEMA *1 SOUS-ENSEMBLE DE TRAVERSE DE SUSPENSION ARRIERE *2 ENSEMBLE DE BRAS DE COMMANDE SUPERIEUR ARRIERE GAUCHE *3 ENSEMBLE DE BRAS DE COMMANDE SUPERIEUR ARRIERE DROIT - - Couple de serrage pour "zone ...

Manuels