Manuel de réparation de la Toyota Prius 2018: Schema Du Systeme
SCHEMA DU SYSTEME
- Voici un schéma détaillé relatif à l'ECU de certification (ensemble d'ECU de clé intelligente).
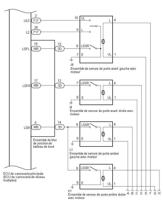
- Voici un schéma détaillé relatif à l'ECU de carrosserie principale (ECU de carrosserie du réseau multiplex).
|
Pièce constitutive | Fonction |
|---|---|
|
Ensemble de poignée extérieure de porte avant |
Reçoit des signaux de demande de l'ECU de certification (ensemble d'ECU de clé intelligente) via l'antenne de clé électronique intégrée (porte avant) et génère la zone de détection extérieure du véhicule. Utilise le capteur tactile intégré (capteur de verrouillage/déverrouillage) pour détecter le fonctionnement de l'ensemble de poignée extérieure de porte avant et envoie des signaux à l'ECU de certification (ensemble d'ECU de clé intelligente). |
| Ensemble d'antenne de clé électronique intérieur n° 1 (plancher avant) Ensemble d'antenne de clé électronique intérieur n° 2 (plancher arrière) Ensemble d'antenne de clé électronique intérieur n° 3 (intérieur du compartiment à bagages) |
Reçoit le code de demande de l'ECU de certification (ensemble d'ECU de clé intelligente) et génère une zone de détection à l'intérieur du véhicule. |
|
Antenne de clé électronique (à l'extérieur du compartiment à bagages) |
Reçoit le code de demande de l'ECU de certification (ensemble d'ECU de clé intelligente) et génère la zone de détection de l'extérieur de porte de coffre. |
| Ensemble de contacteur d'ouverture de porte de coffre |
Envoie des signaux de fonctionnement du contacteur à l'ECU de certification (ensemble d'ECU de clé intelligente). |
|
Ensemble de récepteur de clé électronique et de système de contrôle de pression des pneus |
Reçoit le code/code à distance de système de clé intelligente (pour fonction d'ouverture) envoyé par le sous-ensemble d'émetteur de clé électronique et le transmet à l'ECU de certification (ensemble d'ECU de clé intelligente). |
| Avertisseur sonore de verrouillage de porte à distance |
Retentit lorsque les fonctions d'avertissement réagissent conformément aux commandes de l'ECU de certification (ensemble d'ECU de clé intelligente). |
| Sous-ensemble d'émetteur de clé électronique |
Envoie le code ID à la réception d'un signal de demande. |
|
ECU de certification (ensemble d'ECU de clé intelligente) |
Transmet les codes de demande à chaque antenne de clé électronique. Distingue et vérifie le code ID du sous-ensemble d'émetteur de clé intelligente et transmet des signaux à chaque ECU selon les fonctions utilisées (commande tout le système). Etablit la communication du code de crypatage avec le boîtier de code ID (ECU de code de dispositif antidémarrage) lorsque des opérations d'allumage sont effectuées. |
Emplacement Des Pieces Constitutives
EMPLACEMENT DES PIECES CONSTITUTIVES SCHEMA
*1 CONTACTEUR D'ECLAIRAGE DE SEUIL DE PORTE DE COFFRE
*2 ENSEMBLE DE SERRURE DE PORTE DE COFFRE
*3 ENSEMBLE DE CONTACTEUR D'EC ...
Description Du Systeme
DESCRIPTION DU SYSTEME FONCTION MULTIPLEX (a)
Le sous-ensemble d'émetteur de clé électronique de porte et l'ensemble
de clé électronique et de récepteur de système de contrôle de pression ...
D'autres materiaux:
Tension du capteur de température "A" de moteur d'entraînement en dehors de la plage admise (P0A2A1C,P0A2A1F)
RESUME DES DTC DESCRIPTION DU DYSFONCTIONNEMENT
Ces
DTC sont enregistrés lorsque la sortie du capteur de température de
moteur électrique n'est pas normale. La cause de ce dysfonctionnement
peut être l'un des points suivants: Dysfonctionnement interne de l'ECU de commande de véhicule hy ...
Verification / Suppression Des Dtc
VERIFICATION / SUPPRESSION DES DTC VERIFICATION DES DTC (VERIFICATION A L'AIDE DU TECHSTREAM)
(a) Brancher le Techstream sur le DLC3. (b) Mettre le contacteur d'alimentation en position ON (IG).
(c) Allumer le Techstream. (d) Sélectionner les menus suivants: Body Electrical / Navigation System ...
Pression de gonflage des pneus
Veillez à maintenir la pression de gonflage correcte des pneus. La pression
de gonflage des pneus doit être vérifiée au moins une fois par mois.
Cependant, Toyota recommande de vérifier la pression de gonflage des pneus
une fois toutes les deux semaines.
■Effets d’une pression de go ...