Manuel de réparation de la Toyota Prius 2018: Mode d'arrêt de communication de l'ECU de carrosserie principale
DESCRIPTION
Objet de la détection | Symptôme |
Organe incriminé |
---|---|---|
Mode d'arrêt de communication de l'ECU de carrosserie principale |
Une ou plusieurs des conditions suivantes sont remplies:
|
|
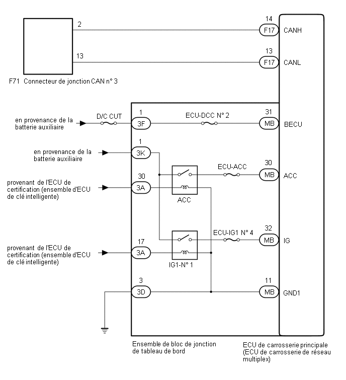
SCHEMA DE CABLAGE

MESURE DE PRECAUTION / REMARQUE / CONSEIL
REMARQUE:
- Parce que l'ordre de diagnostic est important pour permettre un bon
diagnostic, veiller à procéder à la recherche de pannes en utilisant la
section "Comment utiliser la recherche de pannes" lorsque des DTC
relatifs au système de communication CAN sont émis.
Cliquer ici
- Avant de mesurer la résistance du bus CAN, mettre le contacteur d'alimentation en position OFF et laisser le véhicule à l'arrêt pendant un minimum de 1 minute sans utiliser la clé ou les contacteurs, ni ouvrir ou fermer les portes. Ensuite, débrancher le câble de la borne négative (-) de la batterie auxiliaire et laisser le véhicule à l'arrêt pendant un minimum de 1 minute avant de mesurer la résistance.
- Après avoir mis le contacteur d'alimentation en position OFF, un délai
d'attente avant de débrancher le câble de la borne négative (-) de la
batterie peut être requis. Par conséquent, veiller à lire les mesures de
précaution concernant le débranchement du câble de la borne négative
(-) de la batterie auxiliaire avant de poursuivre le travail.
Cliquer ici
- Après avoir effectué les réparations, exécuter la procédure de
vérification des DTC et s'assurer que les DTC ne sont pas à nouveau
émis.
Procédure de vérification des DTC: Mettre le contacteur d'alimentation en position ON (IG) et attendre environ 20 secondes minimum. Mettre le système de moniteur d'angle mort en position ON à l'aide de contacteur principal de moniteur d'angle mort (contacteur ON/OFF), mettre le contacteur principal LDA en position ON et attendre environ 12 secondes minimum.
- Après la réparation, effectuer la vérification du bus CAN, et s'assurer
que tous les ECU et capteurs branchés sur le système de communication
CAN s'affichent.
Cliquer ici
- Vérifier les fusibles pour les circuits liés à ce système avant d'effectuer la procédure suivante.
- Avant de remplacer l'ECU de carrosserie principale (ECU de carrosserie
du réseau multiplex), se reporter à la section relative Ã
l'enregistrement.
Cliquer ici
CONSEIL:
- Avant de débrancher les connecteurs associés pour la vérification, enfoncer le corps de chaque connecteur pour s'assurer que le connecteur n'est pas desserré ou débranché.
- Lorsqu'un connecteur est débranché, s'assurer que la carrosserie des bornes et du connecteur n'est pas fissurée, déformée ou corrodée.
PROCEDURE
1. | RECHERCHER UNE EVENTUELLE COUPURE DANS LES LIGNES DE BUS CAN (LIGNE SECONDAIRE D'ECU DE CARROSSERIE PRINCIPALE (ECU DE CARROSSERIE DE RESEAU MULTIPLEX)) |
(a) Débrancher le câble de la borne négative (-) de la batterie auxiliaire.
(b) Débrancher le connecteur F17 de l'ECU de carrosserie principale (ECU de carrosserie du réseau multiplex).
(c) Mesurer la résistance en fonction de la (des) valeur(s) indiquée(s) dans le tableau ci-dessous. Résistance standard:
|
|
INCORRECT |
![]() |
REPARER OU REMPLACER LE CONNECTEUR OU LES LIGNES SECONDAIRES CAN (ECU DE CARROSSERIE PRINCIPALE (ECU DE CARROSSERIE DU RESEAU MULTIPLEX)) |
|
2. |
VERIFIER LE FAISCEAU DE CABLES ET LE CONNECTEUR (CIRCUIT D'ALIMENTATION ELECTRIQUE) |
(a) Déposer l'ECU de carrosserie principale (ECU de carrosserie du réseau multiplex).
Cliquer ici
(b) Mesurer la résistance en fonction de la (des) valeur(s) indiquée(s) dans le tableau ci-dessous. Résistance standard:
REMARQUE: Effectuer cette vérification avec le faisceau de câbles branché sur l'ensemble de bloc de jonction de tableau de bord. |
|
(c) Rebrancher le câble sur la borne négative (-) de la batterie auxiliaire.
(d) Mesurer la tension en fonction de la (des) valeur(s) indiquée(s) dans le tableau ci-dessous.
Tension standard:
Branchement du tester | Condition |
Condition spécifiée |
---|---|---|
MB-31 (BECU) - Masse de carrosserie |
Contacteur d'alimentation en position OFF |
11 Ã 14 V |
MB-30 (ACC) - Masse de carrosserie |
Contacteur d'alimentation en position ON (ACC) |
11 Ã 14 V |
MB-32 (IG) - Masse de carrosserie |
Contacteur d'alimentation en position ON (IG) |
11 Ã 14 V |
REMARQUE:
Effectuer cette vérification avec le faisceau de câbles branché sur l'ensemble de bloc de jonction de tableau de bord.
Résultat:
Résultat | Passer au point |
---|---|
OK | A |
NG (BECU) | B |
NG (ACC) | C |
NG (IG) | D |
NG (GND1) | E |
A |
![]() |
REMPLACER L'ECU DE CARROSSERIE PRINCIPALE (ECU DE CARROSSERIE DU RESEAU MULTIPLEX) |
C |
![]() |
PASSER AU SYSTEME D'ECLAIRAGE (INT) (CIRCUIT DE SIGNAL ACC) |
D |
![]() |
PASSER AU SYSTEME D'ECLAIRAGE (INT) (CIRCUIT DE SIGNAL IG) |
E |
![]() |
PASSER AU POINT 4 |
|
3. |
VERIFIER LE FAISCEAU DE CABLES ET LE CONNECTEUR (CIRCUIT DU SIGNAL BECU) |
(a) Débrancher le câble de la borne négative (-) de la batterie auxiliaire.
(b) Débrancher le connecteur 3F de l'ensemble de bloc de jonction de tableau de bord.
(c) Rebrancher le câble sur la borne négative (-) de la batterie auxiliaire.
(d) Mesurer la tension en fonction de la (des) valeur(s) indiquée(s) dans le tableau ci-dessous. Tension standard:
|
|
OK |
![]() |
REMPLACER L'ENSEMBLE DE BLOC DE JONCTION DE TABLEAU DE BORD |
INCORRECT |
![]() |
REPARER OU REMPLACER LE FAISCEAU DE CABLES OU LE CONNECTEUR (CIRCUIT DE SIGNAL BECU) |
4. |
VERIFIER LE FAISCEAU DE CABLES ET LE CONNECTEUR (CIRCUIT DE MASSE) |
(a) Débrancher le câble de la borne négative (-) de la batterie auxiliaire.
(b) Débrancher le connecteur 3D de l'ensemble de bloc de jonction de tableau de bord.
(c) Mesurer la résistance en fonction de la (des) valeur(s) indiquée(s) dans le tableau ci-dessous. Résistance standard:
|
|
OK |
![]() |
REMPLACER L'ENSEMBLE DE BLOC DE JONCTION DE TABLEAU DE BORD |
INCORRECT |
![]() |
REPARER OU REMPLACER LE FAISCEAU DE CABLES OU LE CONNECTEUR (CIRCUIT DE MASSE) |
Mode d'arrêt de communication de l'ECU de la batterie
DESCRIPTION
Objet de la détection Symptôme
Organe incriminé
Mode d'arrêt de communication de l'ECU de la batterie
Une ou plusieurs des conditions suivantes sont remplies ...
Mode d'arrêt de communication de l'ECU de combiné d'instruments
DESCRIPTION
Objet de la détection Symptôme
Organe incriminé
Mode d'arrêt de communication de l'ECU de combiné d'instruments
Une ou plusieurs des conditions suivantes so ...
D'autres materiaux:
Verification / Suppression Des Dtc
VERIFICATION / SUPPRESSION DES DTC VERIFIER SI DES DTCS SONT EMIS
(a) Brancher le Techstream sur le DLC3. (b) Mettre le contacteur d'alimentation en position ON (IG).
(c) Allumer le Techstream. (d) Sélectionner les menus suivants: Powertrain / HV battery / Trouble Codes. Powertrain > HV Ba ...
Repose
REPOSE MESURE DE PRECAUTION / REMARQUE / CONSEIL
CONSEIL:
Procéder de la même façon pour le côté droit et pour le côté gauche.
La procédure suivante se rapporte au côté gauche.
PROCEDURE 1. REPOSER PROVISOIREMENT L'ENSEMBLE DE BRAS DE SUSPENSION ARRIERE N° 1
(a)
Reposer ...
Repose
REPOSE PROCEDURE 1. ALIGNER LES ROUES AVANT DANS L'AXE DU VEHICULE
2. REPOSER L'ENSEMBLE DE COLONNE DE DIRECTION
(a) Reposer l'ensemble de colonne de direction à l'aide du boulon et des 2 écrous.
Torque: 36 N·m {367 kgf·cm, 27 ft·lbf}
(b) Brancher chaque connecteur ...