Manuel de réparation de la Toyota Prius 2018: Schema Du Systeme
SCHEMA DU SYSTEME
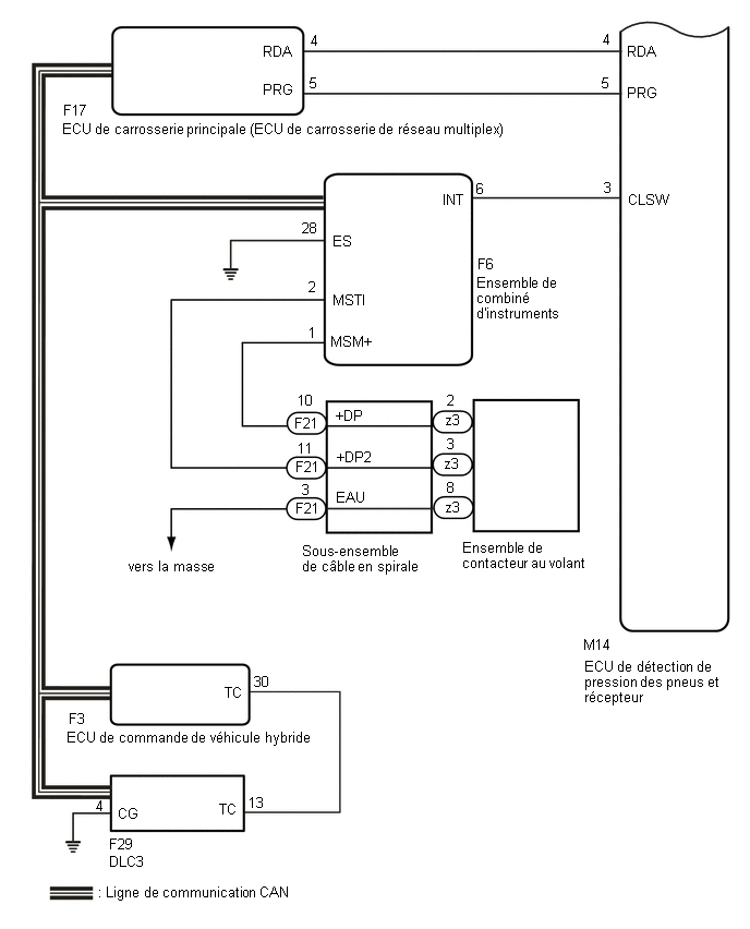
CONSEIL:
Chaque ensemble de valve de détection de pression des pneus et l'émetteur envoie son ID d'émetteur et la pression des pneus, ainsi que des informations sur la température à l'ECU de détection de pression des pneus et au récepteur.
|
ECU de transmission (émetteur) |
ECU de réception | Signal |
Méthode de communication |
|---|---|---|---|
|
Ensemble de combiné d'instruments |
ECU de carrosserie principale (ECU de carrosserie de réseau multiplex) |
Signal de vitesse du véhicule |
Ligne de communication CAN |
|
ECU de carrosserie principale (ECU de carrosserie de réseau multiplex) |
Ensemble de combiné d'instruments |
Signal du témoin de faible pression des pneus |
Ligne de communication CAN |
Emplacement Des Pieces Constitutives
EMPLACEMENT DES PIECES CONSTITUTIVES SCHEMA
*A Avec roue de secours classique
- -
*1 ECU DE DETECTION DE PRESSION DES PNEUS ET RECEPTEUR
*2 VALVE DE PRESSION DES ...
Description Du Systeme
DESCRIPTION DU SYSTEME DESCRIPTION DU SYSTEME
(a)
Le système de détection de pression des pneus avertit le conducteur
lorsque la pression des pneus a diminué afin de réduire les émissions d ...
D'autres materiaux:
Bloc de batterie de véhicule hybride (HV) et batterie auxiliaire (modèle
2010)
Le Prius Plug-in hybride abrite un bloc de batterie de véhicule hybride (HV)
haute tension contenant des cellules de batterie Lithium-ion (Li-ion) scellées.
Bloc de batterie HV
Le bloc de batterie HV est placé dans un boîtier métallique et est monté ...
Actionneur de système de commande d'actionneur de la valve d'accélérateur "A" bloqué en position ouverte (P211172,P211173)
DESCRIPTION L'actionneur de
la valve d'accélérateur, actionné par l'ECM, ouvre et ferme la valve
d'accélérateur à l'aide de pignons. L'angle d'ouverture de la valve
d'accélérateur est détecté par le capteur de position de la valve
d'accélérateur, intégré dans l'ensemble de corp ...
Tableau Des Symptomes De Problemes
TABLEAU DES SYMPTOMES DE PROBLEMES CONSEIL: Utiliser
le tableau ci-dessous pour déterminer la cause des symptômes du
problème. Si plusieurs zones incriminées sont énumérées, les causes
éventuelles des symptômes sont présentées par ordre de probabilité dans
la colonne "Organe incr ...